夏休みの自由研究のネタとして使うために
AmazonでXR2206ファンクションジェネレータを買ってみました。
今回購入した商品
購入した理由
このキットを、液体を震わせるために使おうと思っています。
その使い方以外の使い道を知らないので、高価な商品を買っても
無駄遣いになるのでこのキットを選びました。
今回購入してきたファンクションジェネレータ(信号発生器)はこちらです。
ICの名称のXR2206がそのまま商品名に使われているので、検索すると似た商品が沢山出てきます。
ネット上には、回路図や作り方などの情報も多く出されているので、
自分でもそれらを見ながら、無事組み立てて使うことができました。
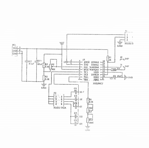
回路図と完成品
付属でついていた回路図と部品の配置図は、おそらく何度も同じものを印刷して使っているので、
かなり掠れてしまっていて文字の判別が難しかったので、ネットで調べて組み立てしました。
回路図

付属の回路図とそれを見ながら書き起こしたものを、書きあがり次第一緒に貼っておきます。
(まだ書けていません。2021/10/28)
完成品

制作時はハンダづけをした時に、部品の背が高くならないものから順番に取りつけていきました。
なお、作っている様子は割愛させていただきます。
電解コンデンサーを一つだけ立てた状態で普通に付けてしまったためか、付属のケースに収めようとすると収まりが悪くなるようになってしまいました。
今後、違うケースを購入してきちんと収まるように改良したいです。
操作の説明
周波数切り替え
アクリル板の保護シールをはがすと、見えにくくなえるのでそのままにしてあります。

| 静電容量 | 周波数 |
| 100pF | 65K~1MHz |
| 2200pF | 3K~65KHz |
| 0.047μF | 100~3KHz |
| 1μF | 10~100kHz |
| 10μF | 1~10kHz |
アクリル板には、上の写真と表を参照してもらうとわかる通り、五つのレンジが刻んであります。
このキットには緑色のジャンパーピンが付属しているので使用したいレンジの所に刺してショートさせて周波数を選択します。
無くしたときのために、代わりになりそうな商品のリンクを将来の自分のために貼っておきます。
出力端子と出力する周波数切替え

基盤右側に端子台があって一番上から GND、SQU、SIN / TRI と表示してあります。
「SQU」は矩形波の出力で「Sin / Tri」は正弦波と三角波の出力です。
こちらも周波数切り替え時と同じで、使用したい波形の所にジャンパーピンを刺してショートさせて選択します。
ボリュームポット

3つのボリュームは左から
Amplitude(振幅)
Fine(周波数の微調整)
Coarse(周波数)の調整用です。
振幅を大きくすると音が大きくなります。
FineとCoarseは周波数の微調整、租調整として使用できます。
回路が一か所、間違えてあるようで
一番左のボリュームを時計回りにまわすと出力が小さくなるので今後改善させたいです。
電源
動作は9V~12Vで動作するので9Vの電源をハードオフで購入して使っています。
Amazonや秋月電子でも売ってあるのでそちらを購入するのも良いと思います。
改善したいこと
組み立てて少し使ってみましたがいくつか改善したいなと思うところがあったのでまとめました。
- 周波数切り替え
- 出力端子の切り替え
- Ampを時計回りに回して振幅が大きくなるようにする
- 接続方法をドライバーを使わずともよくする
- ケースに入れる
改善するときにのためのメモを残したいと思います。
周波数切り替えと出力端子の切り替え
周波数の切り替えや正弦波と三角波の切り替えを
つまみ付きジャンパピンでショートさせて切り替えをするので、
何回も切り替えたり持ち運びしたりするときに、無くしそうだなと思ったので
ロータリースイッチやトグルスイッチを使って切替できるように変えたい。
ボリュームの繋ぎなおし
Ampのところの回路が間違えてあるので
一番左のボリュームを時計回りに動かして出力が大きくなるように改善する。
接続方法をドライバーを使わずともよくする
毎回、ドライバーを使って端子を繋ぎ変えるのがめんどくさいので、簡単に交換できるよう端子を作りたい。
オシロスコープを使うときに接続の互換性がないとまずいのでそこらへんを考慮しつつパーツを選択。
ケースに入れる
大き目のケースを購入すること。ケースには電源スイッチや選択用と切り替え用のスイッチを取り付けるなどしてより使いやすくなるように設計する。
オシロスコープも欲しくなった
今回のファンクションジェネレータだけでは、波形の情報を表示できないので
どれくらいで出力できているのかも、果たして本当に出力できているのかも不明です。
また出力できていても本当に正弦波なのか矩形波なのかを見れないので
動作確認と実験を詳細に行うには、オシロスコープが必要だなと感じました。
今後のことを考えると測定器は確かなものを購入したほうが結果的に安上がりになるんだろうなとは思いつつも、そこそこいい値段がするので、このRIGOLの商品ではなくて
こちらの5000円以内で購入できそうなシンプルなオシロスコープを間に合わせとして購入することになりそうです。

